扬子石化
扬子石化化工厂九循、三循、三A循以及热电厂电一循、电二循。总循环量110000m3/h。
中石化石家庄炼化分公司炼油标准化水场建设,项目总投资逾200万元,打造一个顶层平台,五套水稳剂及循环水自动加药系统的智慧化和标准化水场。满足石炼公司打造基础设施标准化、系统管理精细化、监测化验无人化、现场管理智能化的各项要求


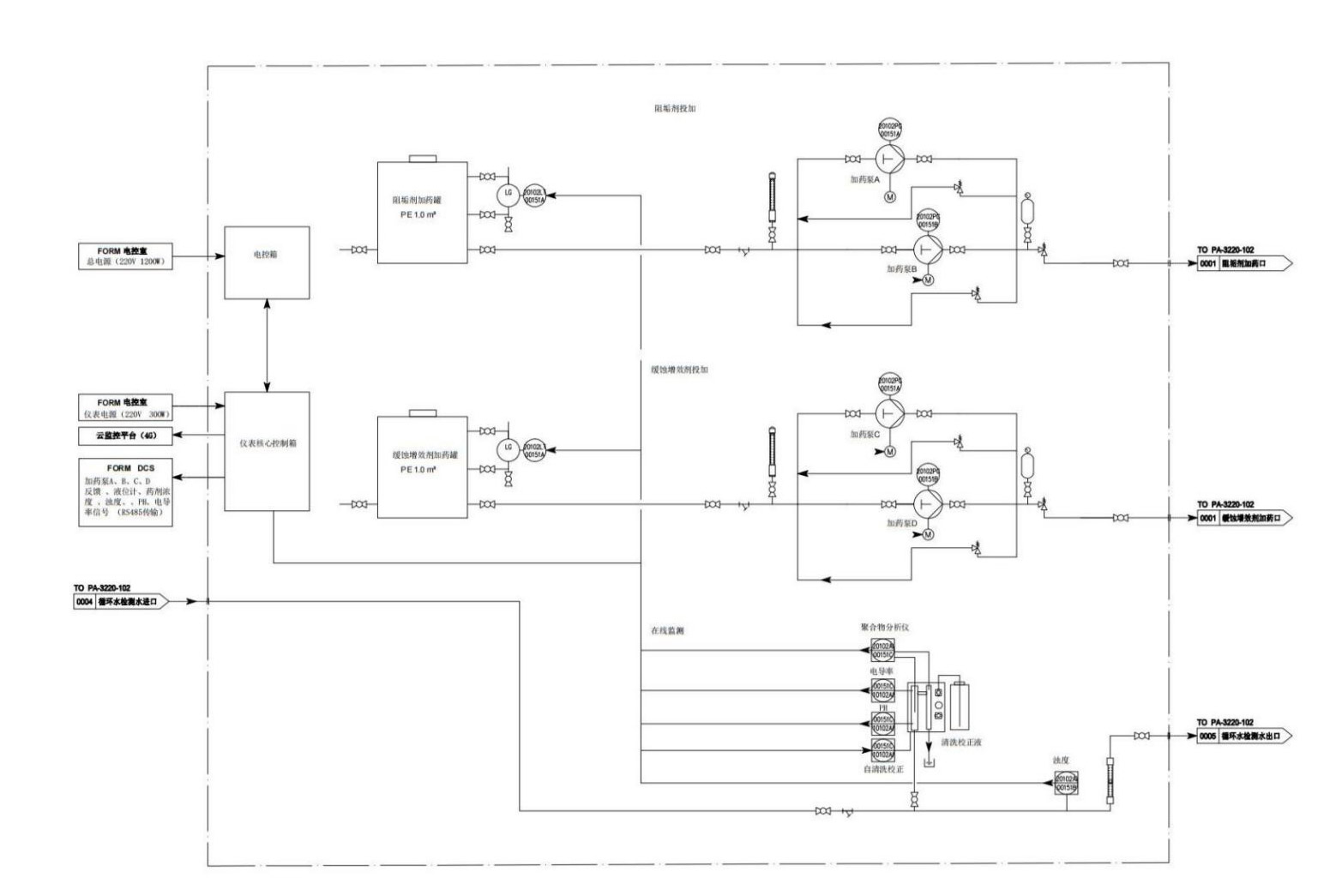
★ 主要工艺流程:
通过聚合物分析仪器,利用显浊比色法来确定聚羧酸类化合物的含量,从而确定系统中无磷药剂的浓度。通过核心控制器将药剂浓度数据,及水质多参数数据(ORP、电导、PH、余氯等)标定测准后反馈至自动控制模块,实现5套系统的自动加药。采用智慧平台实现远程控制和智能管理,对全厂的循环水系统实现综合评价和主动预警。

预约咨询 
CONSULT
平台信息提交-隐私协议
· 隐私政策
隐私协议隐私协议隐私协议隐私协议隐私协议隐私协议隐私协议隐私协议隐私协议隐私协议隐私协议隐私协议隐私协议隐私协议